| N | Артикул | Название | Срок отгрузки | Цена | Купить |
| б/н |
61/72/230 |
Коробка 790x640x440 для БМ-160 HAP |
|
2.576 р. |
|
| б/н |
61/66/444 |
Стопорное кольцо наружное D=15 mm |
|
61 р. |
|
| б/н |
61/72/75 |
Рамка выключателя с электроблокировкой |
|
647 р. |
|
| б/н |
61/72/216 |
Ремень ручейковый PJ635/250J для БМ 14x3x6x635 |
|
1.767 р. |
|
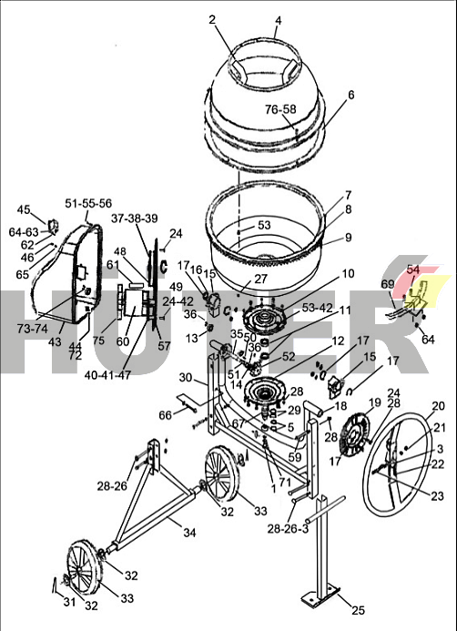
| 2 |
61/72/228 |
Лопасть для БМ-160(2) HAPD |
|
919 р. |
|
| 6 |
61/72/219 |
Прокладка барабана для БМ-140-160(6) HAPD |
|
313 р. |
|
| 9 |
61/72/220 |
Венец зубчатый для БМ-140-160(9) HAPD |
|
3.891 р. |
|
| 10,12 |
61/72/221 |
Корпус подшипника в сборе для БМ-140-230(10,12) HAPD |
|
3.495 р. |
|
| 11 |
61/72/6 |
Подшипник 6206 Z, RS |
|
886 р. |
|
| 15 |
61/72/203 |
Опора кронштейна барабана для БМ(15) HAP, БМ-130,180(14) YMD |
|
455 р. |
|
| 17 |
61/72/27 |
Стопорное кольцо наружное D=35 мм |
|
7 р. |
|
| 18 |
61/72/229 |
Кронштейн барабана для БМ-160(18) HAPD |
|
5.454 р. |
|
| 19 |
61/72/34 |
Диск фиксации угла наклона для БМ-125(18) LGP, БМ(19) HAP, БМ-130,180(13) YMD |
|
606 р. |
|
| 20 |
61/72/196 |
Колесо наклона барабана для БМ(20) HAPD |
|
1.656 р. |
|
| 25 |
61/72/223 |
Стойка опорная для БМ-140-230(25) HAPD |
|
1.607 р. |
|
| 30 |
61/72/224 |
Балка для БМ-140-160(30) HAPD |
|
1.848 р. |
|
| 33 |
61/72/121 |
Колесо D=230мм для БМ-160, БМ-200(44) ALD, БМ-100(33) HAPD |
|
1.165 р. |
|
| 34 |
61/72/197 |
Стойка колёсная для БМ-140-230(34) HAPD |
|
890 р. |
|
| 35 |
61/72/210 |
Вал приводной для БМ(35) HAPD |
|
405 р. |
|
| 36 |
61/81/108 |
Стопорное кольцо наружное D=14 mm |
|
19 р. |
|
| 38 |
61/72/212 |
Прокладка фторопластовая 40х31,5х1,2 для БМ(38) HAPD |
|
31 р. |
|
| 39 |
61/72/30 |
Стопорное кольцо наружное D=28 мм |
|
20 р. |
|
| 43 |
61/72/90 |
Кожух электродвигателя для БМ-140,160,180,200, 205, 20АЧ EVL,130,160,200 ALD,100 HAPD |
|
1.818 р. |
|
| 45 |
61/72/14 |
Выключатель KJD6 6A 250V с электроблокировкой |
|
728 р. |
|
| 52 |
61/72/214 |
Звездочка ведущая для БМ(52) HAPD |
|
637 р. |
|
| 57 |
61/72/215 |
Панель крепления электродвигателя для БМ(57) HAPD |
|
1.262 р. |
|
| 67 |
61/72/226 |
Ось кронштейна барабана для БМ-140-230(67) HAPD |
|
657 р. |
|
| 75 |
61/72/209 |
Вентилятор для БМ(75) HAPD |
|
505 р. |
|