Магазин запчастей для бытовой техники - Arlos
Москва
close
Выберите ваш регион
АбаканАлександровАльметьевскАнгарскАрзамасАрмавирАртемАрхангельскАстраханьАчинскБалаковоБалашихаБеларусьБелгородБердскБерезникиБийскБлаговещенскБратскБрянскВеликий НовгородВидноеВладивостокВладикавказВладимирВолгоградВолгодонскВолжскийВологдаВолховВоркутаВоронежВоскресенскВыборгГатчинаГеленджикГрозныйДедовскДербентДзержинскДзержинскийДимитровградДмитровДолгопрудныйДомодедовоДонецкЕвпаторияЕгорьевскЕкатеринбургЕлецЕссентукиЖелезногорскЖелезнодорожныйЖуковскийЗеленоградЗлатоустИвановоИвантеевкаИжевскИркутскИстраЙошкар-ОлаКазаньКалининградКалугаКаменск-УральскийКамышинКаспийскКемеровоКерчьКировКисловодскКлинКовровКоломнаКомсомольск-на-АмуреКопейскКоролёвКостромаКотельникиКрасногорскКраснодарКраснознаменскКрасноярскКурганКурскКызылЛенинск-КузнецкийЛипецкЛобняЛыткариноЛюберцыМагнитогорскМайкопМалаховкаМахачкалаМиассМоскваМурманскМуромМытищиНабережные ЧелныНазраньНальчикНаро-ФоминскНахабиноНаходкаНевинномысскНефтекамскНефтеюганскНижневартовскНижнекамскНижний НовгородНижний ТагилНовокузнецкНовокуйбышевскНовомосковскНовороссийскНовосибирскНовоуральскНовочебоксарскНовочеркасскНовошахтинскНовый УренгойНогинскНорильскНоябрьскОбнинскОдинцовоОктябрьскийОмскОрелОренбургОрехово-ЗуевоОрскПавловский ПосадПензаПервоуральскПермьПетрозаводскПетропавловск-КамчатскийПодольскПрокопьевскПсковПушкиноПятигорскРаменскоеРеутовРостов-на-ДонуРубцовскРыбинскРязаньСакиСалаватСамараСанкт-ПетербургСаранскСаратовСевастопольСеверодвинскСеверскСергиев ПосадСерпуховСимферопольСмоленскСосновый БорСочиСтавропольСтарый ОсколСтерлитамакСтупиноСургутСызраньСыктывкарТаганрогТамбовТверьТихвинТольяттиТомилиноТомскТроицкТулаТюменьУлан-УдэУльяновскУссурийскУсть-ИлимскУфаУхтаФеодосияФрязиноХабаровскХанты-МансийскХасавюртХимкиЧебоксарыЧелябинскЧереповецЧеркесскЧеховЧитаШахтыЩелковоЭлектростальЭлистаЭнгельсЮжно-СахалинскЯкутскЯлтаЯрославль
  • - бесплатно по РФ
    Автоперезвон. Работает по принципу: Вы позвонили на номер, мы сбрасываем звонок и перезваниваем через 3 секунды.
  • - по Москве
  • 8 (925) 663-83-63

Call-центр

пн-вс: 10:00-19:00

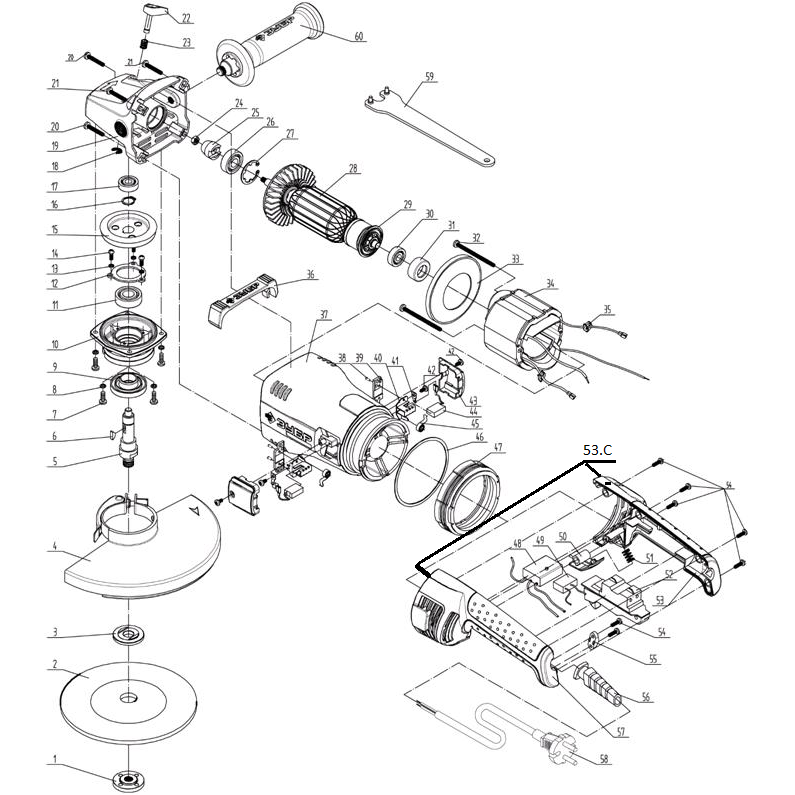
УШМ (Болгарка), 230 мм УШМ-П230-2400 ПВ

Данная модель имеет несколько схем

NАртикулНазваниеСрок отгрузкиЦенаКупить
U353-115-001 Фланец прижимной внешний M14 U353-115-001 для SAG-180-1800, УШМ-П125-1000 100 р.
T21 U009-620-1RS Подшипник шариковый (32х12х10) U009-620-1RS для ЗЦПБ-370, ЗЭП-600Н, НПГ-М3-1100-С 189 р.
1.03 U009-629-RS0 Подшипник шариковый 629-2Z (26х9х8) U009-629-RS0 294 р.
2 N000-019-862 Фланец внутренний D14 Ls17.5 N000-019-862 123 р.
3 U353-115-006 Шпонка сегментная 13x5x4 U353-115-006 для ЗДМ-1200Р, УШМ-180-2005 П 114 р.
4 U503-211-004 Кожух диска 577 р.
5 U503-236-005 Шпиндель 256 р.
7 UM01-000-037 Винт M5x19 92 р.
8 UM04-001-003 Шайба-гровер D5 92 р.
9 U503-181-009 Кольцо пылезащитное 189 р.
10 U503-236-010 Крышка корпуса редуктора 2.420 р.
11 U009-620-200 Подшипник шариковый 6202 открытый (35х15х11) n/n 366 р.
12 U253-235-013 Фиксатор подшипника шпинделя D42xh2,2 92 р.
13 UM04-001-002 Шайба-гровер D4 92 р.
14 UM01-000-018 Винт M4x14 РН2 92 р.
15 U503-236-015 Шестерня ведомая D75xd15 Z43 793 р.
16 UM06-001-006 Кольцо разжимное D14 92 р.
18 U503-236-018 Корпус редуктора 119x104x104 978 р.
19 UM02-000-138 Саморез 5х31 РН2 34 р.
21 U503-236-021 Кнопка стопора 30.3x27.7x9.5 94 р.
22 N000-019-911 Кнопка блокировки вала 6.300 р.
23 U503-236-023 Стопор D8,42x12,34 112 р.
24 UM05-001-008 Гайка М8 автогровер 11 р.
25 U503-236-025 Шестерня ведущая D21xd9 Z10 948 р.
27 UM06-002-009 Кольцо стопорное сжимное D36 92 р.
28 U503-236-028 Ротор КД D60x51.8 3.605 р.
29 U503-181-030 Кольцо пылезащитное D29 114 р.
31 U253-235-032 Втулка подшипника 629 резиноваяD30x9 133 р.
33 U503-236-033 Диффузор 6.300 р.
34 U503-236-034-2 Статор КД 2.404 р.
35 U253-120-055 Катушка индукционная ферромагнитная 92 р.
36 U503-236-036 Накладка резиновая 92 р.
37 U503-236-037 Корпус двигателя 1.097 р.
40 V000-004-294 Блок плавного 250V~ 50Hz V000-004-294 для ЗИЭ-40-2500, ЗУШМ-180-1800П_z01 477 р.
40 U503-236-040 Щеткодержатель в сборе с пружиной 383 р.
41 U503-181-042 Клемма 92 р.
42 UM02-000-018 Саморез 4x12 PH2 92 р.
43 U503-236-043 Крышка щеткодержателя 40 р.
44 U503-236-044-W Щетка графитовая (пара) 7x14x21 220 р.
46 U503-236-046 Шайба пластиковая
47 U503-236-047 Вставка амортизационная 189 р.
49 U503-181-050 Конденсатор 0,47 M х2 40/085/21C 275V~
50 U503-236-050 Кнопка фиксации поворота рукоятки 44 р.
51 U503-181-052 Пружина 189 р.
52 V000-003-265 Выключатель S230B 12(12)A 250V ~ 5E4 499 р.
53 U503-236-053 Ручка правая часть 383 р.
53.C N000-027-403-C Рукоятка в сборе левая и правая часть 3.293 р.
54 UM02-000-027 Саморез 4x18 PH2 92 р.
55 U503-181-056 Прижим шнура
56 U098-004-025 Воротник шнура 92 р.
57 U503-236-057 Ручка левая часть 383 р.
58 U099-004-008-3 Шнур сетевой Rubber 2x1,5mm2 3m 383 р.
59 U503-210-019 Ручка боковая дополнительная 286 р.
Найдено товаров: 53
1
▲ Наверх
0
8 (925) 663-83-63

Call-центр

пн-вс: 10:00-19:00

НАЙТИ ПО МОДЕЛИ
Введите номер заказа
Введите номер своего заказа, что бы узнать его текущий статус.
Что бы получить доступ к расширенным функциям, пройдите не сложную регистрацию. Зарегистрироваться